
其他配件:弹簧片

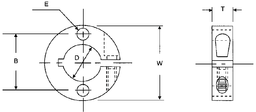
材料:铝
| 型号 | A | B | D | E | H | L | T | W | X |
|---|---|---|---|---|---|---|---|---|---|
| MR-20 | - | 1.043 | .750 | .126 | - | .350 | 1.340 | - | - |
| MR-25 | - | 1.375 | 1.000 | .196 | - | .500 | 1.750 | - | - |

材料:聚乙烯
| 型号 | A | B | D | E | H | L | T | W | X |
|---|---|---|---|---|---|---|---|---|---|
| MC-20 | .120 | .375 | .750 | .150 | .900 | .750 | .020 | 0.380 | .500 |
| MC-25 | .187 | .375 | 1.000 | .144 | 1.133 | .750 | .032 | .510 | .683 |


材料:聚乙烯
| 型号 | A | B | C | D | E | F | G | H |
|---|---|---|---|---|---|---|---|---|
| MU-20 | 1.550 | 1.000 | 1.250 | .125 | .320 | .220 | .078 | .100 |
| MU-25 | 1.920 | 1.000 | 1.580 | .156 | .420 | .320 | .078 | .120 |
Copyright © 2017 上海北昂 版权所有 沪ICP备17033422号-2